精益求精,匠心制造10余年专注自控黄色91视频APP下载污研制

服务热线021-60528933

91视频H下载黄色91视频APP下载污合理结构设计,高精跳压,出口压力稳定
上一页
下一页

WTZ-F型调压器

WTZ-F型调压器

适用介质:天然气、人工煤气、石油液化气、空气等。  可用于庭院、楼栋、单元及小型直燃设备调压。

服务热线: 021-60528933

适用介质:天然气、人工煤气、石油液化气、空气等。  可用于庭院、楼栋、单元及小型直燃设备调压。


设计特点Design features

●关闭特性灵敏,调压精度高。

●阀体内腔及表面采用高精密抛光处理。

● 安装简单,使用维护方便。

● 当介质含有硫、苯等腐蚀性物质时,可选用抗腐蚀性材料。


特性参数Characteristic parameters

➣  进口压力P1:0.02~0.8MPa
➣  出口压力P2:1~5;5~15;15~30KPa
➣  稳定精度δP2: ±15%
➣  关闭压力Pb:≤ 1.2P2
➣ 工作温度: -20℃~60℃
➣ 公称管径:DN25、DN40、DN50

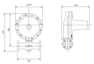
结构示意图Matrix bitmap



图片1


流量表Flow meter

122



热品推荐 / Hot product

RW72高压91视频黄色版下载

高压91视频黄色版下载RW72

RW72系列不锈钢高压91视频黄色版下载,不锈钢活塞压力传输,压力控制准确,用手调节上游压力,适用于纯净气体、标准气体、腐蚀性气体、液体等。
RW200精密91视频黄色版下载

RW200精密91视频黄色版下载

91视频H下载黄色91视频APP下载污RW200精密91视频黄色版下载的气室设计,其背压精度比弹簧式91视频黄色版下载高5倍,可达6000Psig,精度高,稳定性好,气液两相条件下的性能优良,适用于纯净介质和腐蚀性介质。
液体91视频黄色版下载LBF  液体泄压阀LAF

液体91视频黄色版下载LBF 液体泄压阀LAF

LBF系列液体91视频黄色版下载,采用膜片式结构,用于膜片压力传输,用于泵的出口,稳定压力,稳定流量,防止液体回流,也可以安装在支路中作泄压阀使用。与阻尼器配合使用,减小液体波动。
真空91视频黄色版下载RW76

真空91视频黄色版下载RW76

RW76系列真空91视频黄色版下载,不锈钢膜片压力传输,压力控制准确,用于调节管道真空压力的大小,适用于标准气体、腐蚀性气体、液体等。可面板安装。

91视频H下载黄色91视频APP下载污产品中心

全国服务热线

021-60528933

相关推荐资讯

直动式91视频免费黄色与先导式91视频免费黄色的区别

直动式91视频免费黄色与先导式91视频免费黄色的区别

直动式91视频免费黄色与先导式91视频免费黄色的区别是什么?91视频H下载黄色91视频APP下载污告诉您!先导式91视频免费黄色是采用控制阀体内的启闭件的开度来调节介质的流量,将介质的压力降低,同时借助阀后压力的作用调节启闭件的开度,使阀后压力保持在一定范围内,在进口压力不断变化的情况下,保持出口压力在设定的范围内,保护其后的生活生产器具。本类黄色91视频APP下载污在管......
什么是单向阀

什么是单向阀

单向阀又称止回阀或逆止阀。用于液压系统中防止油流反向流动,或者用于气动系统中防止压缩空气逆向流动。今天91视频H下载黄色91视频APP下载污为您介绍一下什么是单向阀。一、简介单向阀有直通式和直角式两种。直通式单向阀用螺纹连接安装在管路上。直角式单向阀有螺纹连接、板式连接和法兰连接三种形式。液控单向阀也称闭锁阀或保压阀,它与......
黄色91视频APP下载污的维护保养方式有哪些

黄色91视频APP下载污的维护保养方式有哪些

黄色91视频APP下载污品种及规格相当繁多,主要用于截止、导流、稳压、分流等,用途广泛。正确和有序有效的维护保养会保护黄色91视频APP下载污,使黄色91视频APP下载污正常发挥功能并且延长黄色91视频APP下载污使用寿命。今天91视频H下载黄色91视频APP下载污为您介绍一下黄色91视频APP下载污的维护保养方式。日常黄色91视频APP下载污维护保养1、黄色91视频APP下载污应存干燥通风的室内,通路两端须堵塞。2、长期存放的黄色91视频APP下载污应定期检查,清除污物,并在加工......
我国黄色91视频APP下载污市场的现状及前景如何

我国黄色91视频APP下载污市场的现状及前景如何

黄色91视频APP下载污是工业上一种重要的流体控制设备,涉及到国民经济诸多部门,是国民经济的发展重要基础设备。今天91视频H下载黄色91视频APP下载污带大家一起分析一下我国黄色91视频APP下载污市场的现状及前景。经过几十年的发展,我国黄色91视频APP下载污产品已经形成十几大类,在企业数量和产销量两方面均在世界上排名靠前,但大多是小规模、低层次黄色91视频APP下载污的企业,产品也以中低端为主。改......
网站地图